![]()  | 
       
         What is this, and why is it important  
      for this topic?  | 
    
These sediments and rocks lie on the border between the igneous and sedimentary realms. For this reason, they are commonly ignored in traditional igneous petrology and sedimentology courses and textbooks. Volcaniclastic refers to all clastic sediments composed mainly of particles of volcanic origin, regardless of how the sediment formed. Processes responsible for volcaniclastic sedimentation range from purely igneous on the one hand, to normal sedimentary processes on the other, with complex interaction of igneous and sedimentary processes in the middle.
The next problem is: how do we go about describing volcaniclastic sediments and rocks? What are their main components?
![]()  | 
    This is the scheme in general use for the description of grain size of volcaniclastic sediments and rocks. | 
Note the main terms, and the difference between blocks and bombs.
Use of the standard Wentworth scale for clastic sediments gives the most accurate grain-size description.
 
        Classification of volcaniclastic sediments and rocks, based on the nature of their components![]()  | 
       
         (after Pettijohn et al., 1973) This is a compositional classification based on the three major grain types: crystals, lithic fragments and glass (both pumice and glass shards). ash is unconsolidated sediment tuff is the equivalent consolidated pyroclastic rock See Volcaniclastic Names for further information on terminology.  | 
    
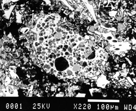
![]()  | 
    The images in this table are back-scattered electron images of 
      Quaternary tuffs. Scale bars are in microns (µm). This tuff 
      contains crystals, pumice, glass shards and lithic grains - which is which? 
       
  | 
  
![]()  | 
    Pumice consists of fragments of vesicular magma formed during explosions. A greater degree of explosive fragmentation leads to fragmentation of the pumice, and the formation of glass shards, bounded by individual vesicle walls. | 
![]()  | 
    Light coloured crystal fragments are common in this view. Can you distinguish them from glass shards? | 
   | 
     
       Lithic fragments are mostly of volcanic origin - often from older rocks eroded from the sides of the volcanic vent during eruptions. This lithic fragment is 150 µm long. 
  | 
  
  
      Small divisions on scale are 1 cm  | 
    In some cases, shards and pumice are still hot and plastic when they are deposited, particularly in some pyroclastic flow and pyroclastic fall deposits. Thus, they are easily compacted as more material is deposited on top of them, and the hot, plastic fragments cohere, forming a welded tuff. In outcrop and hand specimen, this gives the rock a characteristic streaky or eutaxitic texture. Each streak represents a compacted pumice fragment, which has lost most or all of its porosity. | 
![]()  | 
    In this secondary electron image of a Quaternary welded tuff, we see a pumice fragment which has deformed due to compaction whilst it was still hot. The vesicles have become partially sealed up as the pumice flattened. | 
![]()  | 
    Another secondary electron image. Platy glass shards are welded together, and deformed around a sanidine crystal, which was rigid whilst the shards were hot and plastic. | 
So far we have looked at relatively fresh, young volcaniclastic sediments in which original components and textures are clear. However, many of the high temperature minerals in volcaniclastic sediments are unstable under earth surface conditions. Volcanic glass, likewise, is unstable - it is prone both to devitrification and to alteration.
![]()  | 
    This is a cross-polarized light view of a thin section of an Ordovician crystal-vitric tuff. Because of heavy alteration of glass and crystals to secondary minerals such as chlorite (green) and sericite, the original volcaniclastic textures are very difficult to discern. | 
One way of subdividing volcaniclastic sediments and rocks is in terms of the various processes by which they are formed. They include:
![]()  | 
    Autoclastic sediments, formed by mechanical breakage of magma during flow. | |
![]()  | 
    Pyroclastic sediments, formed by explosive breakage of magma during eruptions of varying degrees of violence. These processes involve the explosive release of gases from viscous magmas, producing an Eruption Column above the volcano. Pyroclastic sediments include the deposits of both pyroclastic falls and of pyroclastic flows. | |
![]()  | 
    The third group of volcaniclastics is the hydroclastic sediments. These are formed by breakage of magma which comes into contact with water, or ice, or water-saturated sediment. The magma is rapidly quenched, and much steam is given off. The eruptions range from relatively gentle (e.g. basalt lava flowing into the sea is rapidly cooled and shattered) to extremely violent (particularly when the gas is rich in magma, so that there is a combination of hydroclastic and pyroclastic activity). | |
![]()  | 
    The fourth group is the epiclastic, or reworked sediments. Reworking of volcanic material by normal sedimentary processes: stream transport, wind, wave and current activity etc. Under these influences, the composition and texture of the sediment become progressively modified with increasing transport. | 
One excellent source is the Volcano Information Center (University of California at Santa Barbara). This is effectively an on-line text book which contains much useful information on volcaniclastic processes and deposits. You are encouraged to read it to support what you have learned in the lectures.
The USGS Cascades Volcano Observatory web site contains a wealth of information on volcanic processes, deposits and hazards. It includes a glossary of volcanic hazards, processes and features.
This page was written by Roger Suthren
Last Modified: 20 January, 2013